FM-753 A4 M10x90 à l’unité - Réf. 7532001009000_1
- Référence7532001009000_1
- FabricationFrançaise
- MatériauAcier inoxydable A4
- MarqueSIMPSON Strong-Tie
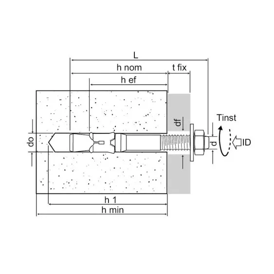
- Epaisseur maximale des pièces à fixer (tfix)20mm
- Diamètre maximal pièces à fixer (df)12mm
- Profondeur d’ancrage (hef)50mm
- Diamètre perçage x profondeur minimale perçage (d0 x h1)10x70mm
- Epaisseur minimale du support [mm]100mm
- Bohrdurchmesser [mm]10mm
- Profondeur minimale de perçage [h1]70mm
- Ouverture de clés sur plat [SW]17mm
- Couple de serrage [Tinst] [Nm]25Nm
- Distance entraxes minimale [mm]75mm
- Distance au bord minimale [mm]75mm
Goujon d’ancrage Inox A4 (FM-753 A4)
Le goujon d’ancrage FM-753 A4 en diamètre M8 à M16 est une solution de fixation efficace d’éléments sur support béton non fissuré ou pierre en extérieur.
Caractéristiques
Matière
- Acier inoxydable A4.
Avantages
Gains de temps :
- Expansion immédiate,
- Montage au travers de l’élément à fixer, Ø de perçage = Ø de cheville,
- Ecrou et rondelle prémontés,
- Gamme large.
Performances :
- Six dents et bords anti glissement pour une plus grande adhérence aux parois du perçage,
- Grande épaisseur des trois segments expansibles.
Application
Domaines d’utilisation
- Fixations structurelles,
- Façades,
- Garde-corps,
- Sabots de charpente.
Supports
- Béton non fissuré,
- Pierre naturelle.
Données techniques
Dimensions
| Références | Référence produit | Dimensions [ØxL] [mm] | Ep. max [tfix,max] pce à fixer avec prof. d’ancrage standard [hef,STD] [mm] | Ep. max [tfix,max] pce à fixer avec prof. d’ancrage réduite [hef,RED] [mm] | Ø max perçage pce à fixer [df] [mm] | Ø perçage [do] x profondeur [h1] dans le support [mm] | Profondeur d’ancrage mini [hef] [mm] |
|---|---|---|---|---|---|---|---|
| 7532000806500 | FM-753 A4 | M8x65 | 7 | 15 | 9 | 8x60 | 40 |
| 7532000807500 | FM-753 A4 | M8x75 | 15 | 25 | 9 | 8x60 | 40 |
| 7532000809000 | FM-753 A4 | M8x90 | 30 | 40 | 9 | 8x60 | 40 |
| 7532001007500 | FM-753 A4 | M10x75 | 5 | 20 | 12 | 10x70 | 50 |
| 7532001009000 | FM-753 A4 | M10x90 | 20 | 35 | 12 | 10x70 | 50 |
| 7532001012000 | FM-753 A4 | M10x120 | 50 | 65 | 12 | 10x70 | 50 |
| 7532001210000 | FM-753 A4 | M12x100 | 10 | 25 | 14 | 12x85 | 60 |
| 7532001211000 | FM-753 A4 | M12x110 | 20 | 35 | 14 | 12x85 | 60 |
| 7532001213500 | FM-753 A4 | M12x135 | 45 | 60 | 14 | 12x85 | 60 |
| 7532001617500 | FM-753 A4 | M16x175 | 60 | 80 | 18 | 16x115 | 85 |
Valeurs de calcul
| Références | Référence produit | Dimensions [ØxL] [mm] | Valeurs de calcul - ancrage seul - sans distances aux bords | ||||||||
|---|---|---|---|---|---|---|---|---|---|---|---|
| Valeurs de calcul - Béton non-fissuré (3) | |||||||||||
| Traction - NRd (1) | Cisaillement - VRd (1-2) | Moment de flexion MRd [Nm] | |||||||||
| C20/25 [kN] | C30/37 [kN] | C40/50 [kN] | C50/60 [kN] | C20/25 [kN] | C30/37 [kN] | C40/50 [kN] | C50/60 [kN] | ||||
| 7532000806500 | FM-753 A4 | M8x65 | 5 | 5.85 | 6.6 | 7.1 | 8.3 | - | - | - | 18.04 |
| 7532000807500 | FM-753 A4 | M8x75 | 5 | 5.85 | 6.6 | 7.1 | 8.3 | - | - | - | 18.04 |
| 7532000809000 | FM-753 A4 | M8x90 | 5 | 5.85 | 6.6 | 7.1 | 8.3 | - | - | - | 18.04 |
| 7532001007500 | FM-753 A4 | M10x75 | 8 | 9.76 | 11.28 | 12.4 | 11.6 | - | - | - | 36.84 |
| 7532001009000 | FM-753 A4 | M10x90 | 8 | 9.76 | 11.28 | 12.4 | 11.6 | - | - | - | 36.84 |
| 7532001012000 | FM-753 A4 | M10x120 | 8 | 9.76 | 11.28 | 12.4 | 11.6 | - | - | - | 36.84 |
| 7532001210000 | FM-753 A4 | M12x100 | 15.2 | 18.544 | 21.432 | 23.56 | 20.6 | 20.6 | 20.6 | 20.6 | 63.9 |
| 7532001211000 | FM-753 A4 | M12x110 | 15.2 | 18.544 | 21.432 | 23.56 | 20.6 | 20.6 | 20.6 | 20.6 | 63.9 |
| 7532001213500 | FM-753 A4 | M12x135 | 15.2 | 18.544 | 21.432 | 23.56 | 20.6 | 20.6 | 20.6 | 20.6 | 63.9 |
| 7532001617500 | FM-753 A4 | M16x175 | 23.3 | 28.426 | 32.853 | 36.115 | 38.4 | 38.4 | 38.4 | 20.6 | 162.4 |
1. Les charges publiées sont calculées à partir des coefficients partiels de sécurité issus des ETE. Ces charges sont calculées pour du béton non armé et du béton armé standard dont les fers sont espacés de s ≥ 15 cm (tous diamètres) ou de s ≥ 10 cm, si leur diamètre est inférieur ou égal à 10 mm.
2. Les charges au cisaillement sont indiquées pour un ancrage seul sans tenir compte de la distance au bord de dalle. Pour les ancrages proches des bords (c ≤ max [10 hef ; 60d]), la rupture en bord de dalle doit être vérifiée conformément à l’ETAG001, annexe C, méthode A.
3. Le béton est considéré comme non fissuré lorsque la tension à l’intérieur du béton est égale à σL + σR ≤ 0. En l’absence de vérification détaillée, on prendra σR = 3N/mm2 (σL correspond à la tension à l’intérieur du béton qui résulte de charges extérieures, y compris les charges des ancrages).
SIMPSON Strong-Tie
Une fiabilité et un service sans équivalent
Depuis son implantation en Europe en 1994, la société Simpson Strong-Tie est devenue une valeur sûre en matière de connecteurs grâce à un savoir-faire reconnu et une qualité de produits testés. Forte de ses années d’expériences, elle fait de la sécurité, de la fiabilité et du respect des règlementations en vigueur un engagement permanent.
Mise en œuvre
Données de montage
| Références | Référence produit | Dimensions [ØxL] [mm] | Ø perçage [d0] [mm] | Prof. min. de perçage [h1] [mm] | Ø perçage dans pce à fixer (au travers) [df] [mm] | Ouverture de clé sur plat [SW] [mm] | Couple de serrage [Tinst] [Nm] | Prof. ancrage [hef] [mm | Ep. mini du support [hmin] [mm] |
|---|---|---|---|---|---|---|---|---|---|
| 7532000806500 | FM-753 A4 | M8x65 | 8 | 60 | 9 | 13 | 15 | 40 | 100 |
| 7532000807500 | FM-753 A4 | M8x75 | 8 | 60 | 9 | 13 | 15 | 40 | 100 |
| 7532000809000 | FM-753 A4 | M8x90 | 8 | 60 | 9 | 13 | 15 | 40 | 100 |
| 7532001007500 | FM-753 A4 | M10x75 | 10 | 70 | 12 | 17 | 25 | 50 | 100 |
| 7532001009000 | FM-753 A4 | M10x90 | 10 | 70 | 12 | 17 | 25 | 50 | 100 |
| 7532001012000 | FM-753 A4 | M10x120 | 10 | 70 | 12 | 17 | 25 | 50 | 100 |
| 7532001210000 | FM-753 A4 | M12x100 | 12 | 85 | 14 | 19 | 50 | 60 | 120 |
| 7532001211000 | FM-753 A4 | M12x110 | 12 | 85 | 14 | 19 | 50 | 60 | 120 |
| 7532001213500 | FM-753 A4 | M12x135 | 12 | 85 | 14 | 19 | 50 | 60 | 120 |
| 7532001617500 | FM-753 A4 | M16x175 | 16 | 115 | 18 | 24 | 100 | 85 | 170 |
Distances entraxe et aux bords
| Références | Référence produit | Dimensions [ØxL] [mm] | Distance au bord mini [cmin] [mm] | Dist. entraxes mini [smin] [mm] | Distance au bord caractéristique [ccr,N] [mm | Distance entraxes caractéristique [scr,N] [mm] |
|---|---|---|---|---|---|---|
| 7532000806500 | FM-753 A4 | M8x65 | 60 | 60 | 60 | 120 |
| 7532000807500 | FM-753 A4 | M8x75 | 60 | 60 | 60 | 120 |
| 7532000809000 | FM-753 A4 | M8x90 | 60 | 60 | 60 | 120 |
| 7532001007500 | FM-753 A4 | M10x75 | 75 | 75 | 75 | 150 |
| 7532001009000 | FM-753 A4 | M10x90 | 75 | 75 | 75 | 150 |
| 7532001012000 | FM-753 A4 | M10x120 | 75 | 75 | 75 | 150 |
| 7532001210000 | FM-753 A4 | M12x100 | 90 | 90 | 90 | 180 |
| 7532001211000 | FM-753 A4 | M12x110 | 90 | 90 | 90 | 180 |
| 7532001213500 | FM-753 A4 | M12x135 | 90 | 90 | 90 | 180 |
| 7532001617500 | FM-753 A4 | M16x175 | 130 | 130 | 130 | 260 |














